PPH Hot Melt Socket Stålforet Slip-On Flange DN15-100 GB Standard

Engros højkvalitets jordgul PPH Hot Melt socket stålforet slip-on flange 1,0-1,6 MPa arbejdstryk, DN15-100 generelle plastrørfittings til spildevands- og kemisk industri
Oprindelsessted: Kina
Mærkenavn: KXPV
Materiale: PPH
Teknik: Smedet
Tilslutning: stikkontakt
Form: Lige
Hovedkode: Firkantet
Farve: Jordgul
Størrelse: DN15-DN100
Anvendelse: Industri
Emballage: Kartonæske
Arbejdstryk: 1,0-1,6Mpa (10-25bar)

App temperatur bundet liste
Materialeeee Middel temperatur℃ Materialeeee Middel temperatur℃
PVC-C -20℃~95℃ PVC-U -5℃~45℃
FRPP -20℃~120℃ PPH -20℃~110℃
PVDF 40℃~150℃

Produktets strukturelle egenskaber

1. Høj krystallinitet
Fremstillet af en enkelt polypropylenmonomer, indeholder molekylkæden ingen ethylenmonomerer; molekylkæden er meget regelmæssig og giver en lang levetid.
2. Fremragende korrosionsbestandighed
Det kan modstå korrosion fra højkoncentrerede syrer og baser inden for et pH-område på 1-14.
3. Varmebestandig, isoleret og energibesparende
Den kan fungere i temperaturer fra -20°C til 110°C. Dens lave varmeledningsevne giver fremragende isoleringsevne.
4. Pålidelig forbindelse
Hotmeltsamlingerne er stærkere end selve røret, hvilket forhindrer dem i at knække på grund af jordbevægelser eller belastninger.
5. Fremragende konstruktionsydelse
Dette produkt er let, har en enkel svejseproces, er let at installere og tilbyde en lav samlet pris, velegnet til komplekse procesrør. PPH rørsystemer er meget udbredt i industrier som galvanisering, ætsning, kemikalier, lægemidler, spildevandsbehandling og miljøteknik.

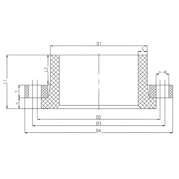
PPH Hot Melt Socket Vanstoneflange

DN D1 D2 D3 D4 S L1 L2 T h n-Φ
15 20 65 95 2.5 71.5 50 14 7.5 4-Φ14
20 25 75 105 2.7 75.5 50 16 9.5 4-Φ14
25 32 85 115 3 77 50.5 16 10.5 4-Φ14
32 40 100 140 3.7 80 50.5 18 11.5 4-Φ19
40 50 110 150 4.6 81 50.5 18 12.5 4-Φ19
50 63 125 165 5.8 85 50.5 20 14.5 4-Φ19
65 75 145 185 6.9 87 50.5 20 16.5 4-Φ19
80 90 160 200 8.2 78 40 20 17 8-Φ19
100 110 180 229 10 78 40 22 18 8-Φ19
125 140 210 250 12.7 110 60 22 25 8-Φ19
150 160 240 285 14.6 107 60 24 25 8-Φ23
200 225 295 340 20.5 121 60 24 32 8-23
250 280 350 362 410 25.4 126 60 30 35 12-Φ22X28
300 315 400 432 483 28.6 135 60 36 37 12-Φ25X41
350 355 460 470 520 32.2 145 60 42 47 16-Φ25X30
400 400 515 540 597 36.3 160 63 46 52 16-Φ29X41,5
Besked feedback
Om os
Kaixin Pipeline Technologies Co., Ltd.
Grundlagt i 1999, Kaixin Pipeline Technologies Co., Ltd. er en højteknologisk virksomhed, der integrerer R&D, produktion, salg og service. Virksomheden har adskillige prestigefyldte certificeringer, herunder National High-Tech Enterprise, "Little Giant" Specialized and Sophisticated SME, National Single Product Champion (Cultivation), Provincial Technology-based SME, Ningbo Specialized and Sophisticated SME, Ningbo Single Product Champion (Cultivation), Ningbo PolymerD Center Green Pipe & Valve Technology, N-Leveling Technology District R-Leveling Technology. Innovation Enterprise og Enterprise Data Management Capability Modenhedsniveau 2.
Vi er specialiserede i at udvikle, producere og levere ikke-metalliske korrosionsbestandige produkter til kemiske anvendelser, herunder plastventiler, rør, rørfittings og korrosionsbestandige pumper. Vores produktportefølje spænder over materialer som PVC-C, PVC-U, PVDF, PPH og FRPP, med et omfattende udvalg af typer og specifikationer. Især kan vores sommerfugleventiler nå DN1000 i diameter, mens rør og fittings strækker sig op til DN800, hvilket adresserer markedshuller og fastholder vores konkurrencefordel i branchen.
Vejledt af princippet om "teknologidrevet, holde trit med tiden" tildeler Kaixin næsten 10 millioner RMB årligt til F&U. Vi sikrer overlegen produktkvalitet gennem standardiseret automatiseret fremstilling og strenge indkøb af importerede råvarer. I tråd med vores internationale udviklingsstrategi overvåger vi løbende globale markedstendenser og udnytter digitale kanaler til at bringe højkvalitets "Made in China"-produkter til kunder over hele verden.
Ningbo • Fenghua R&D & Production Base
Med en samlet investering på 200 millioner RMB har Kaixin Ultra-Pure Pipe Technology (Ningbo) Co., Ltd. etableret et nyt materialelaboratorium i samarbejde med universiteter og forskningsinstitutter, bygget en moderne produktionsbase og installeret 8 fuldautomatiske produktionslinjer for modificeret plast og 8 til polymermaterialer. Anlægget er dedikeret til forskning og udvikling, produktion og anvendelse af nye modificerede plast- og polymermaterialer. Kaixin er også forpligtet til at tiltrække toptalent på tværs af discipliner, løbende drive produktinnovation og brandudvikling med det mål at blive en globalt anerkendt leder inden for R&D og fremstilling af polymerventiler, rør og fittings.
Hædersbevis
  • honor
  • honor
  • honor
  • honor
  • honor
  • honor
  • honor
  • honor
  • honor
Nyheder