App temperatur bundet liste
Materialeeee Middel temperatur℃ Materialeeee Middel temperatur℃
PVC-C -20℃~95℃ PVC-U -5℃~45℃
FRPP -20℃~120℃ PPH -20℃~110℃
PVDF 40℃~150℃

Produktets strukturelle egenskaber

1. Overlegen kemisk resistens: Bredt drifttemperaturområde -20°C til 95°C, tungt ionindhold i mediet opfylder standarderne for ultrarent vand, og hygiejniske egenskaber opfylder nationale sundhedsstandarder.
2. Fremragende styrke, sejhed og kemisk korrosionsbestandighed.
3. Holdbarhed: Fremragende ældnings- og UV-bestandighed forlænget levetiden for andre rørsystemer betydeligt.
4. Lav varmeledningsevne: Ca. 1/200 af stål; selvslukkende flammehæmning.
5. Letvægt: Let, svarende til 1/5 af stålrør og 1/6 af kobberrør.
6. Lav modstand, høj flowhastighed: Glat, ren røroverflade, minimerer friktion og vedhæftning ved transport af væsker.
7. Nem installation, lav pris: Klæbemiddel og fundetforbindelser er tilgængelige, hvor lim er det mest bekvemme.

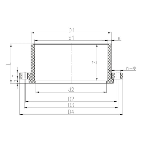
Dimensionsliste

DN D1 D2 D3 D4 d1 d2 L T h Z n- Φ
15 27 59 70 95 20 18 22 16 1.5 16 4-Φ15X20,5
20 32 70 75 105 25 23 25 18 1.5 19 4-Φ15X17,5
25 40 79 90 125 32 29 28 18 1.5 22 4-Φ15X20,5
32 50 89 100 140 40 36 31.5 20 1.5 26 4-Φ18X24,5
4 61 98 110 150 50 4 37 20 2 31 4-Φ18X24
50 75 120 125 165 63 58 44 25 2 38 4-Φ18X20,5
65 88 140 145 185 75 69 50 25 2 44 4-Φ18X20,5
80 105 150 160 200 90 84 57 26 2.5 51 8-Φ18X23
100 127 175 190 522 9110 105 67 26 2.5 61 8- Φ 18X26
125 161 210 250 140 130 84 28 12.5 77 8-Φ19
150 182 240 285 160 150 93 31 12.5 85 8-Φ23
200 249 295 339 225 215 127 36 16 119 8-Φ23X25
200 254 295.8 341 225 215 127 33.1 16 119 12-Φ22
250 308 350 395 280 267 154 40.5 16.5 144 12-Φ23
300 346 400 445 315 305 170 43 18 160 12-Φ23
350 395 460 505 355 340 176 43 16 164.5 16-Φ23
400 442 515 570 400 382 219 43 22 200 16-Φ27
450 494 565 625 450 430 220 40 27 210 20-Φ26
500 548 620 670 500 475 210 43 25 185 20-Φ27
Besked feedback
Om os
Kaixin Pipeline Technologies Co., Ltd.
Grundlagt i 1999, Kaixin Pipeline Technologies Co., Ltd. er en højteknologisk virksomhed, der integrerer R&D, produktion, salg og service. Virksomheden har adskillige prestigefyldte certificeringer, herunder National High-Tech Enterprise, "Little Giant" Specialized and Sophisticated SME, National Single Product Champion (Cultivation), Provincial Technology-based SME, Ningbo Specialized and Sophisticated SME, Ningbo Single Product Champion (Cultivation), Ningbo PolymerD Center Green Pipe & Valve Technology, N-Leveling Technology District R-Leveling Technology. Innovation Enterprise og Enterprise Data Management Capability Modenhedsniveau 2.
Vi er specialiserede i at udvikle, producere og levere ikke-metalliske korrosionsbestandige produkter til kemiske anvendelser, herunder plastventiler, rør, rørfittings og korrosionsbestandige pumper. Vores produktportefølje spænder over materialer som PVC-C, PVC-U, PVDF, PPH og FRPP, med et omfattende udvalg af typer og specifikationer. Især kan vores sommerfugleventiler nå DN1000 i diameter, mens rør og fittings strækker sig op til DN800, hvilket adresserer markedshuller og fastholder vores konkurrencefordel i branchen.
Vejledt af princippet om "teknologidrevet, holde trit med tiden" tildeler Kaixin næsten 10 millioner RMB årligt til F&U. Vi sikrer overlegen produktkvalitet gennem standardiseret automatiseret fremstilling og strenge indkøb af importerede råvarer. I tråd med vores internationale udviklingsstrategi overvåger vi løbende globale markedstendenser og udnytter digitale kanaler til at bringe højkvalitets "Made in China"-produkter til kunder over hele verden.
Ningbo • Fenghua R&D & Production Base
Med en samlet investering på 200 millioner RMB har Kaixin Ultra-Pure Pipe Technology (Ningbo) Co., Ltd. etableret et nyt materialelaboratorium i samarbejde med universiteter og forskningsinstitutter, bygget en moderne produktionsbase og installeret 8 fuldautomatiske produktionslinjer for modificeret plast og 8 til polymermaterialer. Anlægget er dedikeret til forskning og udvikling, produktion og anvendelse af nye modificerede plast- og polymermaterialer. Kaixin er også forpligtet til at tiltrække toptalent på tværs af discipliner, løbende drive produktinnovation og brandudvikling med det mål at blive en globalt anerkendt leder inden for R&D og fremstilling af polymerventiler, rør og fittings.
Hædersbevis
  • honor
  • honor
  • honor
  • honor
  • honor
  • honor
  • honor
  • honor
  • honor
Nyheder